Back-up Rings
Back-up rings (mostly made of plastics) function as reinforcing elements that increase the pressure and mechanical resistance of O-rings and other seals. They also prevent the seal from extruding into the gap with larger clearances in the equipment.

Profiles We Manufacture
For detailed technical information on individual types (maximum operating pressure, temperature, speed, etc.), please contact us.







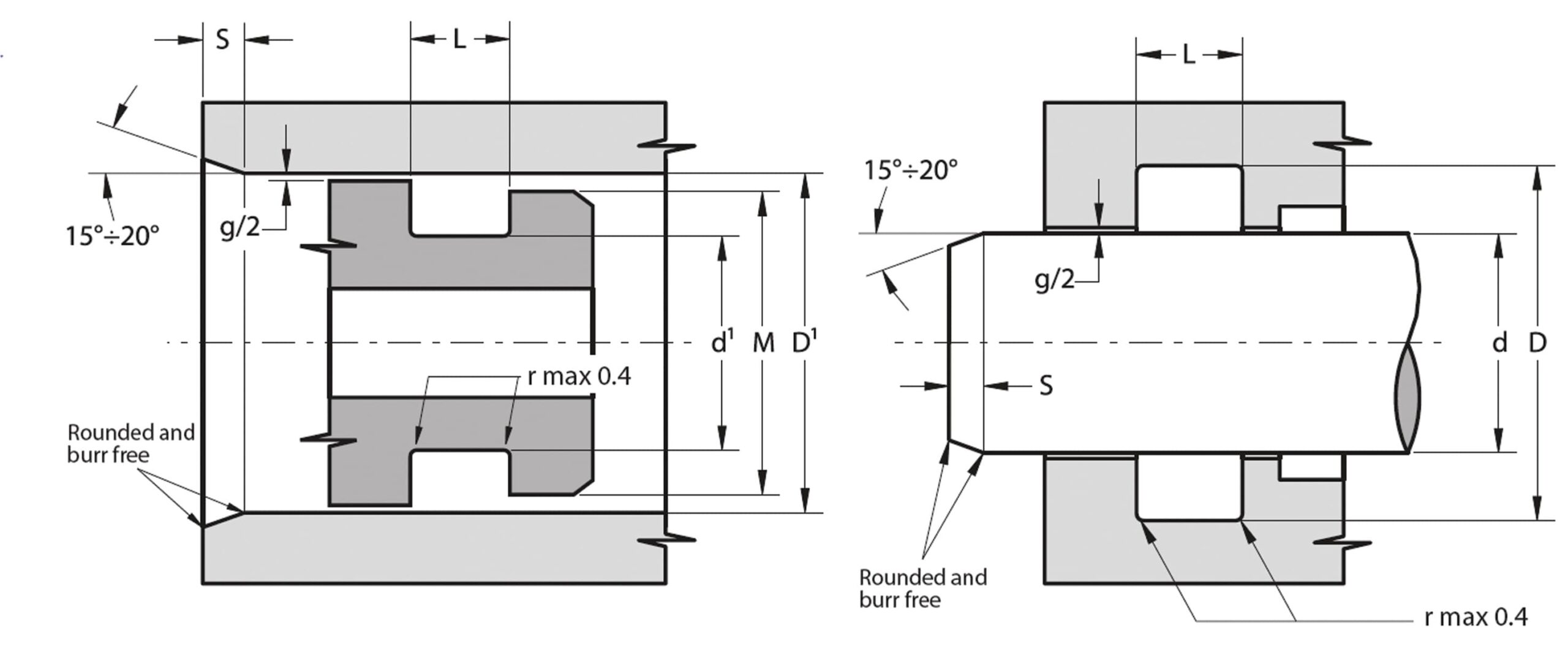
Housings and Designs
Back-up rings are typically used in combination with O-rings, or as part of other sealing elements (e.g., DS102R, DK104R, DK123N, and others). The design of the housing groove is therefore determined by these types of seals.
When designing and manufacturing housing spaces for guide rings, it is necessary to follow the recommendations generally applicable to the design of sealing elements. In particular, it is essential to adhere to the surface roughness of the sealing groove, Ra ≤ 1.6μm and Rt ≤ 6.3 μm. Before assembly, it is also crucial to ensure that the sealing groove is cleaned of any potential impurities and that there are no sharp edges, burrs, or other surface imperfections at the specified location. Furthermore, the recommended size of the lead-in chamfer in the cylinder and on the piston must be observed. Failure to do so may result in damage to the sealing lips during assembly.
Our Manufacturing Capabilities
Thanks to our technological equipment, we can manufacture sealing elements (and more) up to an outer diameter of 505 mm. However, in cooperation with verified international partners, we can also offer seals of significantly larger diameters.
We maintain a large stock of basic materials, from the smallest sizes up to diameters exceeding 500 mm. This enables us to respond flexibly to urgent requests. We typically manufacture seals within a few days, but in case of need (e.g., breakdowns, urgent repairs of hydraulic equipment), we can produce seals virtually on demand.
We manufacture sealing elements starting from a single piece. However, thanks to the automation elements we utilize in production, we can also efficiently produce large series. We use a wide range of machining tools specifically developed for manufacturing seals and machining specific sealing materials. This enables us to produce many non-standard profiles and shapes, or to perform shape and dimensional modifications of standard profiles.
Manufacturing Materials

In all areas of our operations, we place great emphasis on maximum quality of products and services, responsible approach to the environment, and work safety. We believe that these values are the foundation for long-term development and for building stable relationships with our customers. The confirmation of the quality of our work is the fact that we hold the ČSN EN ISO 9001:2016, ISO 14001:2016, and ISO 45001:2018 certifications.







