Static Seals
Static seals are designed for sealing stationary components. They are primarily used for sealing flanges and cylinder heads.

Profiles We Manufacture












Standard Seals

O-rings
- Circular sealing elements used for a wide range of static and, to a limited extent, dynamic applications.
- They are designed to prevent unwanted permeability or loss of liquid or gas.
- Materials offered: NBR, FPM, MVQ, CR, EPDM.
- Metric and inch sizes according to standards PN 02 9280, PN 02 9281, PN 02 9282 and PN 02 9283.
- We custom manufacture atypical and non-standard dimensions.

FEP / PFA Encapsulated O-rings
- Encapsulated O-rings are a special type of classic O-ring.
- They consist of an elastic core made of FPM (Viton) or MVQ (Silicone) and an outer shell (encapsulation) made of FEP or PFA.
- For use wherever high chemical and temperature resistance is required, and an O-ring made of conventional elastomers cannot be used.
- The outer shell made of FEP Teflon can be used for applications in the temperature range of -60°C to +205°C.
- When using a PFA core, the temperature resistance is up to -60°C to +260°C.

FFKM O-rings
- The most resistant material for the production of O-rings and other sealing elements.
- It combines the elastic properties of rubber with exceptional chemical and temperature resistance.
- FFKM is designed for use wherever the most demanding requirements are placed on the material.
- The material exhibits excellent resistance to acids, amines, bases, and also chlorine-containing media and solvents.
- At the same time, it excels in excellent temperature resistance, where the standard compound can be used up to a temperature of 270°C. The most heat-resistant possible compound can then be applied for temperatures up to 330°C (short-term up to 350°C).
- The elastomer is available in more than 20 different variants in hardnesses of 60 – 90 Sh.A.

Other types of static seals
- Rubber circular profiles, continuous lengths, sealing cords.
- X-rings, D-rings.
- USIT-rings, V-rings.
- Other variants of static sealing.
Housings and Designs
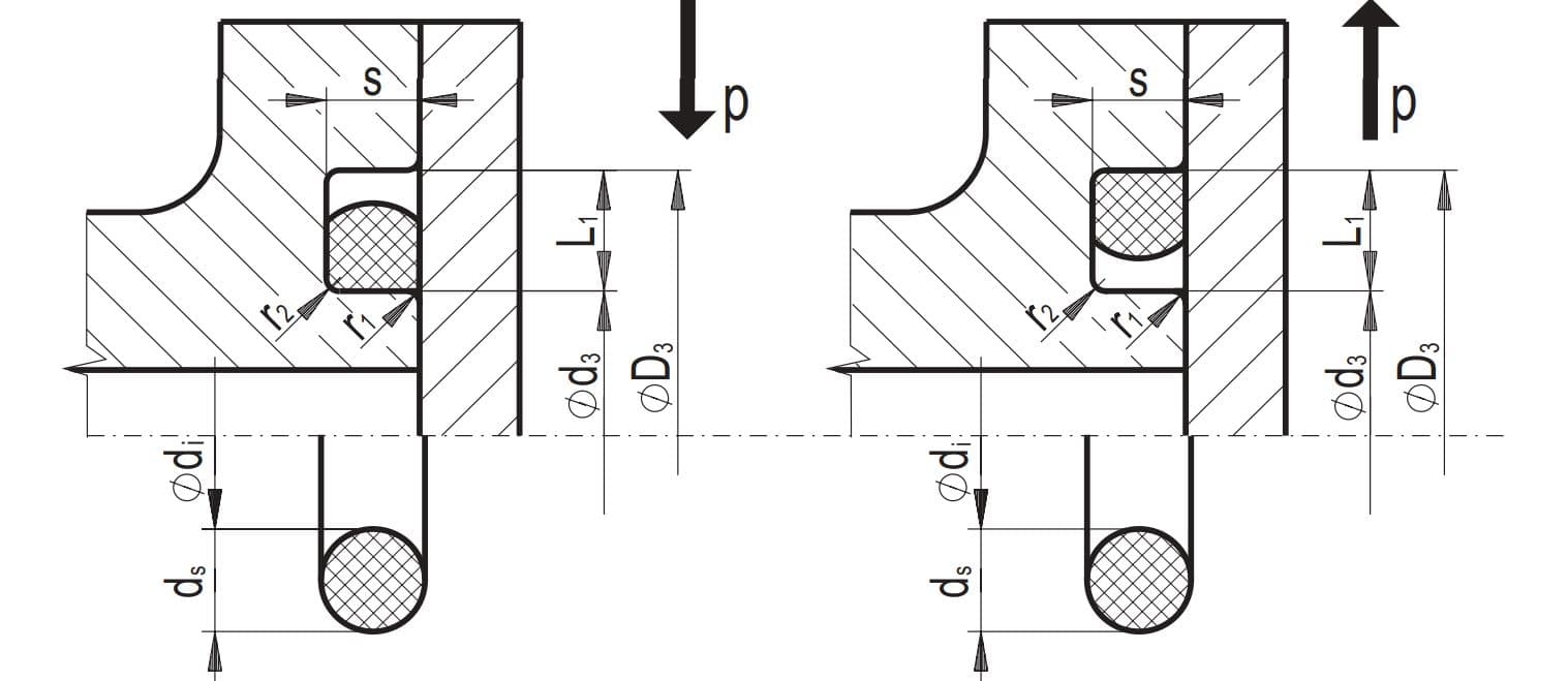
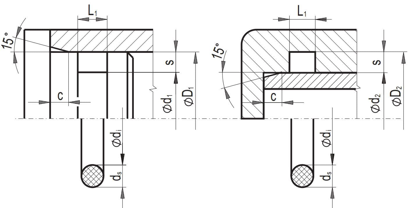
O-rings and other static seals are most often used for radial compression, e.g. in valves, fittings, hydraulic and pneumatic cylinders. They are used for sealing inwards from the inside and from the outside. If the sealing gap is equal to zero due to design measures, pressures up to 500 bar and higher can be sealed. For high or pulsating pressures and technically conditioned larger gaps, the use of support rings is recommended. O-rings are also used as static seals with axial deformation, e.g. as flange or cover seals. At high pressures, it is necessary to ensure that the preload force of the screws is sufficiently high and that the metal parts are firmly seated. In this way, the sealing surfaces cannot separate even under pressure and no gap is created. With an assumed optimal construction, pressures of 1000 bar and more can be sealed in this way.
When designing and manufacturing installation spaces for static seals, it is necessary to follow the recommendations generally applicable to the construction of sealing elements. In particular, it is essential to adhere to the surface roughness of the sealing groove, Ra ≤ 1.6 μm and Rt ≤ 6.3 μm, and before assembly, also ensure that the sealing groove is free of potential contaminants and that there are no sharp edges, burrs, or other surface imperfections at the given location. It is also necessary to observe the recommended size of the lead-in chamfer in the cylinder or on the piston. Otherwise, damage to the sealing lips may occur during assembly.
Our Manufacturing Capabilities
Thanks to our technological equipment, we can manufacture sealing elements (and more) up to an outer diameter of 505 mm. However, in cooperation with verified international partners, we can also offer seals of significantly larger diameters.
We maintain a large stock of basic materials, from the smallest sizes up to diameters exceeding 500 mm. This enables us to respond flexibly to urgent requests. We typically manufacture seals within a few days, but in case of need (e.g., breakdowns, urgent repairs of hydraulic equipment), we can produce seals virtually on demand.
We manufacture sealing elements starting from a single piece. However, thanks to the automation elements we utilize in production, we can also efficiently produce large series. We use a wide range of machining tools specifically developed for manufacturing seals and machining specific sealing materials. This enables us to produce many non-standard profiles and shapes, or to perform shape and dimensional modifications of standard profiles.
Manufacturing Materials

In all areas of our operations, we place great emphasis on maximum quality of products and services, responsible approach to the environment, and work safety. We believe that these values are the foundation for long-term development and for building stable relationships with our customers. The confirmation of the quality of our work is the fact that we hold the ČSN EN ISO 9001:2016, ISO 14001:2016, and ISO 45001:2018 certifications.

















